Fungsi Saklar Silang. Gambar, fungsi, dan penggunaan saklar silang. Yang dimana prinsip kerjanya adalah satu buah lampu tersebut dapat di kontrol pada 3 tempat. Saklar silang diaplikasikan sebagai pengendali lampu dari banyak tempat jika instalasi dikombinasikan dengan 2 buah saklar tukar. Instalasi saklar tukar adalah penggunaan dua buah saklar untuk meyalakan dan menghidupkan satu buah lampu dengan cara bergantian.
Komponen dan Fungsi Alat Instalasi Penerangan Saklar From gurulistrikkeren.blogspot.com
Hendaklah diingat, bahw a saklar yang pertama dan penghabisan haruslah dipasang saklar tukar, saklar di antaranya adalah saklar silang. Saklar tukar adalah saklar yang yang dapat digunakan untuk menghidupkan dan mematikan lampu dari tempat yang berbeda. Ada banyak jenis saklar, fungsi. Pada dasarnya saklar berfungsi untuk menghubungkan dan memutus arus listrik. Saklar silang adalah saklar yang secara konstruksi merupakan gabungan antara dua buah saklar tukar yang digabung menjadi satu. Adapun jenis saklar dibedakan menjadi dua kategori yaitu saklar mekanis dan saklar elektronik.
Ada banyak jenis saklar, fungsi.
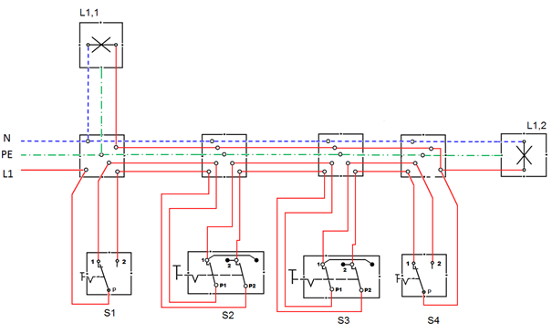
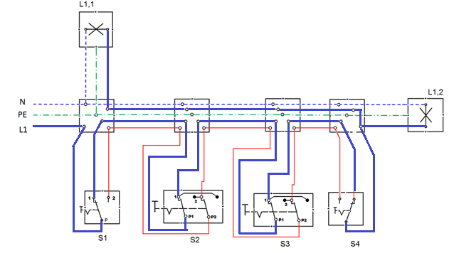
Setelah kita mempelajari komponen dan fungsi alat instalasi penerangan saklar tunggal, maka materi kali ini akan membahas tentang saklar seri. Diagram pengawatan saklar silang kombinasi saklar tukar) diagram lokasi dan diagram pengawatan saklar tukar di atas adalah diagram dari satu buah saklar silang yang di kombinasikan dengan dua buah saklar tukar untuk mengontrol sebuah lampu. Hendaklah diingat, bahwa saklar yang pertama dan penghabisan haruslah dipasang saklar tukar, saklar di antaranya adalah saklar silang. Ada banyak jenis saklar, fungsi. Saklar silang merupakan suatu saklar yang digunakan untuk mengendalikan (mematikan dan menghidupkan) sebuah lampu di tiga tempat yang bebeda. Biasanya digunakan pada ruangan yang luas dan memiliki banyak akses pintu masuk, misalnya seperti aula.
Source: gurulistrikkeren.blogspot.com
Hendaklah diingat, bahwa saklar yang pertama dan penghabisan haruslah dipasang saklar tukar, saklar di antaranya adalah saklar silang. Saklar silang berfungsi untuk mengedalikan atau mengoperasikan satu buah beban di berbagai tempat yang berbeda. A) saklar tunggal fungsi sakelar tunggal adalah untuk menyalakan dan mematikan lampu. Hendaklah diingat, bahwa saklar yang pertama dan penghabisan haruslah dipasang saklar tukar, saklar di antaranya adalah saklar silang. Saklar silang saklar ini adalah saklar yang dapat dipakai untuk mengontrol beban dari berbagai tempat yang dikombinasikan dengan saklar tukar.
Source: gurulistrikkeren.blogspot.com
Saklar silang adalah saklar yang secara konstruksi merupakan gabungan antara dua buah saklar tukar yang digabung menjadi satu. Saklar listrik itu sendiri dapat digolongkan dari berdasarkan jumlah kondisi yang dimilikinya. Pada kesimpulannya saklar adalah alat pemutus atau penghubung aliran listrik. Fungsi dari saklar tukar disamping untuk penerangan juga untuk. Kali ini akan membahas mengenai saklar.
Source: antariksagroup.com
Saklar silang (saklar intermediate) adalah saklar yang memiliki 2 terminal masukan dan empat terminal keluaran yang diinstalasi didalamnya secara menyilang. Jenis, simbol dan contoh bentuk fisik saklar. Adapun jenis saklar dibedakan menjadi dua kategori yaitu saklar mekanis dan saklar elektronik. Gambar, fungsi, dan penggunaan saklar silang. Banyak fungsi serta manfaat yang didapat ketika kita menggunakan saklar.
Source: gurulistrikkeren.blogspot.com
Komponen dan fungsi alat instalasi penerangan saklar silang. Ada banyak jenis saklar, fungsi. Secara konstruksi saklar silang merupakan gabungan antara dua saklar tukar yang dijadikan satu. Semua mesin memiliki fungsi sama yaitu meringankan pekerjaan manusia. Simak selengkapnya di bawah ini:
Source: egsean.com
Saklar silang ini digunakan apabila kita harus dapat melayani satu lampu dan tiga tempat, maka kita pakai saklar silang waktu memasang. Jenis sakelar mekanis harus diaktifkan secara fisik, dengan menekan, menggerakkan, melepaskan, atau menyentuh kontaknya. Saklar silang adalah saklar yang dapat mengoperasikan sebuah beban di tiga atau lebih tempat yang berbeda. Saklar silang ini digunakan apabila kita harus dapat melayani satu lampu dan tiga tempat, maka kita pakai saklar silang waktu memasang. Sistem pengaturannya yaitu dapat dilakukan dengan dua buah saklar tukar untuk mendapatkan beberapa tempat pengoperasiannya dimana posisi saklar silang berada ditengah.
Source: gurulistrikkeren.blogspot.com
Penggunaan saklar selain untuk jaringan listrik arus kuat, saklar berbentuk kecil juga dipakai untuk alat komponen elektronika yang berarus lemah. Saklar silang diaplikasikan sebagai pengendali lampu dari banyak tempat jika instalasi dikombinasikan dengan 2 buah saklar tukar. Saklar berfungsi untuk meringankan pekerjaan manusia. Kamar mandi, atau penerangan luar sehingga kedua kawat lampu diput uskan hubungannya. Saklar kutub dua m isalnya:
Source: antariksagroup.com
Hendaklah diingat, bahwa saklar yang pertama dan penghabisan haruslah dipasang saklar tukar, saklar di antaranya adalah saklar silang. Diagram pengawatan saklar silang kombinasi saklar tukar) diagram lokasi dan diagram pengawatan saklar tukar di atas adalah diagram dari satu buah saklar silang yang di kombinasikan dengan dua buah saklar tukar untuk mengontrol sebuah lampu. Hendaklah diingat, bahwa saklar yang pertama dan penghabisan haruslah dipasang saklar tukar, saklar di antaranya adalah saklar silang. Yang dimana prinsip kerjanya adalah satu buah lampu tersebut dapat di kontrol pada 3 tempat. Kali ini akan membahas mengenai saklar.
Source: gurulistrikkeren.blogspot.com
Saklar tukar adalah saklar yang yang dapat digunakan untuk menghidupkan dan mematikan lampu dari tempat yang berbeda. Kali ini akan membahas mengenai saklar. Saklar merupakan suatu pemutusan dan juga penyambungan arus listrik atau aliran listrik. Kamar mandi, atau penerangan luar sehingga kedua kawat lampu diput uskan hubungannya. Saklar kutub dua m isalnya:
Source: carailmu.com
Rangkaian instalasi penerangan yang menggunakan saklar tukar banyak. Pada pokok bahasan sebelumnya kita sudah membahas tentang saklar tukar, yaitu suatu jenis saklar yang dapat mengendalikan lampu dari dua tempat berbeda. Lalu lubangi dinding tersebut dengan ukuran yang tepat sesuai box saklar. Saklar tukar adalah saklar yang yang dapat digunakan untuk menghidupkan dan mematikan lampu dari tempat yang berbeda. Dalam dunia kelistrikan dan elektronika saklar adalah sebuah perangkat yang digunakan untuk memutuskan atau menguhubungkan sirkuit listrik atau elektronik terhadap sirkuit lainnya.
Source: carailmu.com
Kali ini akan membahas mengenai saklar. Saklar silang adalah saklar yang secara konstruksi merupakan gabungan antara dua buah saklar tukar yang digabung menjadi satu. Saklar terdiri dari banyak jenis tergantung dari cara pemasangan, sistem kerja, dan bentuknya. Saklar yang dalam bahasa inggris disebut dengan switch ini merupakan salah satu komponen atau alat listrik yang paling sering digunakan. Ada yang sudah mengenal atau pernah mendengar mengenai istilah saklar?
Source: sintayonema.blogspot.com
Secara konstruksi saklar silang merupakan gabungan antara dua saklar tukar yang dijadikan satu. Simak selengkapnya di bawah ini: Untuk pengendalian atau menghidupkan lampu dari beberapa tempat maka kita gunakan saklar silang dengan dikombinasikan dengan. Saklar silang (lihat gambar 4)saklar silang ini digunakan apabila kita harus dapat melayani satu lampu dan tiga tempat, maka kita pakai saklar silang waktu memasang. Saklar kutub t iga saklar ini dipakai pada golongan yang t erdiri dari sejumlah lampu.
Source: antariksagroup.com
Jenis, simbol dan contoh bentuk fisik saklar. Saklar silang (lihat gambar 4) saklar silang ini digunakan apabila kita harus dapat melayani satu lampu dan tiga tempat, maka kita pakai saklar silang waktu memasang. Akan tetapi seiring berkembangnya teknologi dan dunia industri saklar ini mempunyai beragam fungsi diantaranya : Saklar silang merupakan suatu saklar yang digunakan untuk mengendalikan (mematikan dan menghidupkan) sebuah lampu di tiga tempat yang bebeda. Ada yang sudah mengenal atau pernah mendengar mengenai istilah saklar?
Source: agengwlistrik.blogspot.com
Instalasi akan berfungsi baik jika tahu cara instalasi listrik / cara. Akan tetapi seiring berkembangnya teknologi dan dunia industri saklar ini mempunyai beragam fungsi diantaranya : Bila ditinjau dari fungsinya, namun bila ditinjau dari segi efektivitas dalam merenovasi suatu sistem, maka saklar impuls sangatlah praktis, karena apabila kita akan menambah tempat pengoperasiannya, maka kita hanya menambahkan beberapa saklar tekan dengan cara. Saklar silang adalah saklar yang secara konstruksi merupakan gabungan antara dua buah saklar tukar yang digabung menjadi satu. Jenis, simbol dan contoh bentuk fisik saklar.
Source: sadandarasia.blogspot.com
Hendaklah diingat, bahwa saklar yang pertama dan penghabisan haruslah dipasang saklar tukar, saklar di antaranya adalah saklar silang. Rangkaian instalasi penerangan yang menggunakan saklar tukar banyak. Semua mesin memiliki fungsi sama yaitu meringankan pekerjaan manusia. Adapun jenis saklar dibedakan menjadi dua kategori yaitu saklar mekanis dan saklar elektronik. A) saklar tunggal fungsi sakelar tunggal adalah untuk menyalakan dan mematikan lampu.
Source: carailmu.com
Pada pokok bahasan sebelumnya kita sudah membahas tentang saklar tukar, yaitu suatu jenis saklar yang dapat mengendalikan lampu dari dua tempat berbeda. Saklar silang merupakan suatu saklar yang digunakan untuk mengendalikan (mematikan dan menghidupkan) sebuah lampu di tiga tempat yang bebeda. Saklar berfungsi untuk meringankan pekerjaan manusia. Ada banyak jenis saklar, fungsi. Fungsi dari saklar tukar disamping untuk penerangan juga untuk.
Source: gurulistrikkeren.blogspot.com
Saklar yang dalam bahasa inggris disebut dengan switch ini merupakan salah satu komponen atau alat listrik yang paling sering digunakan. Saklar silang saklar ini adalah saklar yang dapat dipakai untuk mengontrol beban dari berbagai tempat yang dikombinasikan dengan saklar tukar. Saklar silang berfungsi untuk mengedalikan atau mengoperasikan satu buah beban di berbagai tempat yang berbeda. Hendaklah diingat, bahwa saklar yang pertama dan penghabisan haruslah dipasang saklar tukar, saklar di antaranya adalah saklar silang. Jenis sakelar elektronik tidak memerlukan kontak fisik apa pun untuk mengontrol sirkuit.
Source: sadandarasia.blogspot.com
Jenis, simbol dan contoh bentuk fisik saklar. Kali ini akan membahas mengenai saklar. Instalasi saklar tukar adalah penggunaan dua buah saklar untuk meyalakan dan menghidupkan satu buah lampu dengan cara bergantian. Secara konstruksi saklar silang merupakan gabungan antara dua saklar tukar yang dijadikan satu. Saklar seri adalah salah satu jenis sakelar yang sering dipakai pada instalasi rumah dan gedung, jenis saklar ini ini dapat mengendalikan (menghidup dan mematikan) aliran arus listrik ke beban.
Source: gurulistrikkeren.blogspot.com
Untuk pengendalian atau menghidupkan lampu dari beberapa tempat maka kita gunakan saklar silang dengan dikombinasikan dengan. Secara konstruksi saklar silang merupakan gabungan antara dua saklar tukar yang dijadikan satu. Jenis sakelar mekanis harus diaktifkan secara fisik, dengan menekan, menggerakkan, melepaskan, atau menyentuh kontaknya. Oleh karena fungsi tersebut saklar jenis ini sangat jarang digunakan kecuali pada suatu tempat yang mempunyai banyak sekali ruangan. Saklar silang adalah saklar yang secara konstruksi merupakan gabungan antara dua buah saklar tukar yang digabung menjadi satu.
This site is an open community for users to share their favorite wallpapers on the internet, all images or pictures in this website are for personal wallpaper use only, it is stricly prohibited to use this wallpaper for commercial purposes, if you are the author and find this image is shared without your permission, please kindly raise a DMCA report to Us.
If you find this site adventageous, please support us by sharing this posts to your favorite social media accounts like Facebook, Instagram and so on or you can also save this blog page with the title fungsi saklar silang by using Ctrl + D for devices a laptop with a Windows operating system or Command + D for laptops with an Apple operating system. If you use a smartphone, you can also use the drawer menu of the browser you are using. Whether it’s a Windows, Mac, iOS or Android operating system, you will still be able to bookmark this website.



